三菱plc復位,三菱FX系列PLC置位與復位指令(SET/RST)
三菱FX系列PLC置位與復位指令(SET/RST):
1、SET (置位指令):使被操作的目標元件置位并保持。
2、RST (復位指令):使被操作的目標元件復位并保持清零狀態。
SET、RST 指令的使用如圖1:
三菱FX系列PLC置位與復位指令(SET/RST)使用說明

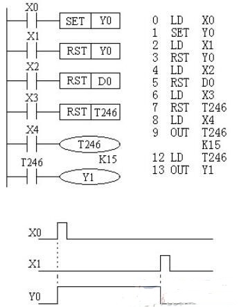
圖1:置位與復位指令
1)當 X0 常開接通時, Y0 變為 ON 狀態并一直保持該狀態,即使 X0 斷開 Y0 的 ON 狀態仍維持不變;
2)只有當 X1 的常開閉合時, Y0 才變為 OFF 狀態并保持,即使 X1 常開斷開, Y0 也仍為 OFF 狀態。
SET與RST 指令的使用說明:
1 ) SET 指令的目標元件為 Y、M、S , RST 指令的目標元件為 Y、M、S、T、C、D、V、Z 。 RST 指令常被用來對 D、Z、V 的內容清零,還可以用來復位積算定時器和計數器。
2 )對于同一目標元件, SET、RST 可以多次使用,順序隨意,但最后執行者有效。
點擊進入下載通道 》》》》》》》三菱FX系列PLC指令資料
1、SET (置位指令):使被操作的目標元件置位并保持。
2、RST (復位指令):使被操作的目標元件復位并保持清零狀態。
SET、RST 指令的使用如圖1:
三菱FX系列PLC置位與復位指令(SET/RST)使用說明

圖1:置位與復位指令
1)當 X0 常開接通時, Y0 變為 ON 狀態并一直保持該狀態,即使 X0 斷開 Y0 的 ON 狀態仍維持不變;
2)只有當 X1 的常開閉合時, Y0 才變為 OFF 狀態并保持,即使 X1 常開斷開, Y0 也仍為 OFF 狀態。
SET與RST 指令的使用說明:
1 ) SET 指令的目標元件為 Y、M、S , RST 指令的目標元件為 Y、M、S、T、C、D、V、Z 。 RST 指令常被用來對 D、Z、V 的內容清零,還可以用來復位積算定時器和計數器。
2 )對于同一目標元件, SET、RST 可以多次使用,順序隨意,但最后執行者有效。
點擊進入下載通道 》》》》》》》三菱FX系列PLC指令資料
相關內容
暫無留言!
發表評論
| 姓名: | |
| 內容: | |
| 驗證碼: |
|
1.尊重網上道德,遵守中華人民共和國的各項有關法律法規,不發表攻擊性言論。 |




評論信息